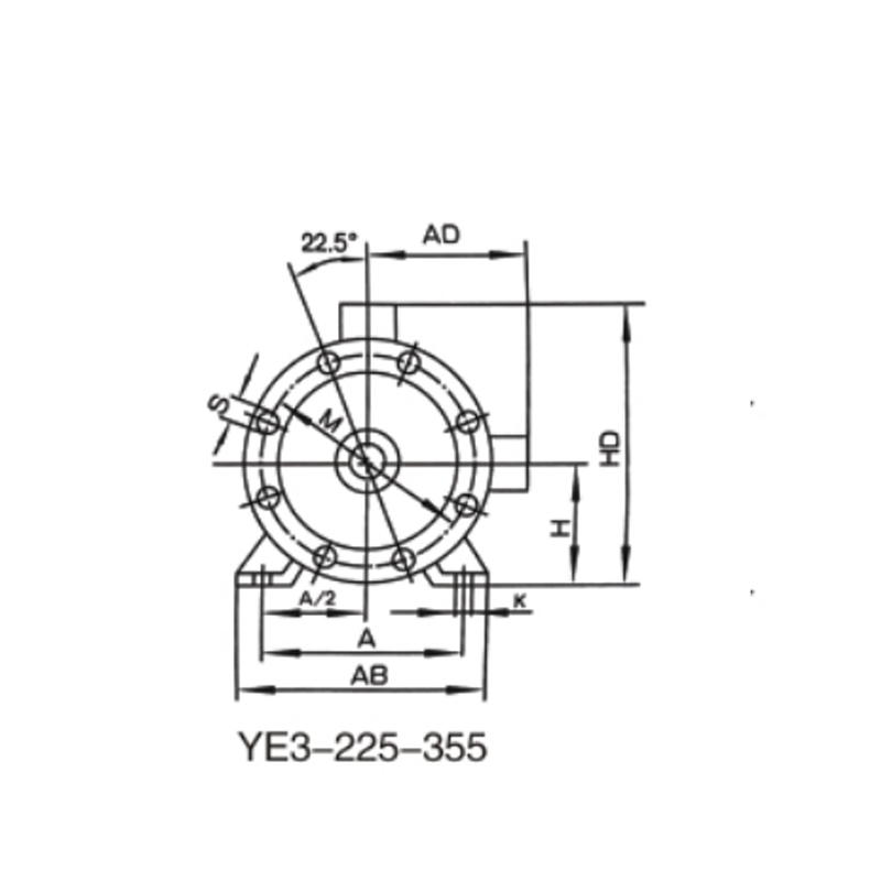
機座帶底腳、端蓋上有凸緣(帶通孔)的電動機(B35)Frame with foot end shield with flange(B35)
如需更多信息,請發送電子郵件或撥打我們的熱線電話
機座帶底腳、端蓋上有凸緣(帶通孔)的電動機(B35)Frame with foot end shield with flange(B35)
如需更多信息,請發送電子郵件或撥打我們的熱線電話
| 機座帶底腳、端蓋上有凸緣(帶通孔)的電動機(B35)Frame with foot end shield with flange(B35) | |||||||||||||||||||||||
| 機座號 | 極數 | A | A/2 | B | C | H | K | D | E | F | G | M | N | P | R | S | T | 孔數 Holes | AB | AC | AD | HD | L |
| Frame | Ploes | ||||||||||||||||||||||
| 80M | 2.4.6.8 | 125 | 62.5 | 100 | 50 | 80 | 10 | 19 | 40 | 6 | 15.5 | 165 | 130 | 200 | 0 | 12 | 3.5 | 4 | 165 | 175 | 145 | 220 | 305 |
| 90S | 140 | 70 | 100 | 56 | 90 | 24 | 50 | 8 | 20 | 180 | 195 | 165 | 260 | 360 | |||||||||
| 90L | 125 | 390 | |||||||||||||||||||||
| 100L | 160 | 80 | 140 | 63 | 100 | 12 | 28 | 60 | 24 | 215 | 180 | 250 | 14.5 | 4 | 205 | 215 | 180 | 270 | 435 | ||||
| 112M | 190 | 95 | 140 | 70 | 112 | 230 | 240 | 190 | 300 | 470 | |||||||||||||
| 132S | 216 | 108 | 140 | 89 | 132 | 38 | 80 | 10 | 33 | 265 | 230 | 300 | 270 | 275 | 210 | 345 | 510 | ||||||
| 132M | 178 | 560 | |||||||||||||||||||||
| 160M | 254 | 127 | 210 | 108 | 160 | 14.5 | 42 | 110 | 12 | 37 | 300 | 250 | 350 | 18.5 | 5 | 320 | 330 | 255 | 420 | 730 | |||
| 160L | 254 | 760 | |||||||||||||||||||||
| 180M | 279 | 139.5 | 241 | 121 | 180 | 48 | 14 | 42.5 | 355 | 380 | 280 | 455 | 740 | ||||||||||
| 180L | 279 | 790 | |||||||||||||||||||||
| 200L | 318 | 159 | 305 | 133 | 200 | 18.5 | 55 | 16 | 49 | 350 | 300 | 400 | 395 | 420 | 305 | 505 | 790 | ||||||
| 225S | 4.8 | 356 | 178 | 286 | 149 | 225 | 60 | 140 | 18 | 53 | 400 | 350 | 450 | 8 | 435 | 470 | 335 | 560 | 865 | ||||
| 225M | 2 | 311 | 55 | 110 | 16 | 49 | 865 | ||||||||||||||||
| 4.6.8 | 60 | 140 | 18 | 53 | 890 | ||||||||||||||||||
| 250M | 2 | 406 | 203 | 349 | 168 | 250 | 24 | 500 | 450 | 550 | 490 | 510 | 370 | 615 | 915 | ||||||||
| 4.6.8 | 65 | 58 | |||||||||||||||||||||
| 280S | 2 | 457 | 228.5 | 368 | 190 | 280 | 550 | 580 | 410 | 680 | 985 | ||||||||||||
| 4.6.8 | 75 | 20 | 67.5 | ||||||||||||||||||||
| 280M | 2 | 419 | 65 | 18 | 58 | 1035 | |||||||||||||||||
| 4.6.8 | 75 | 20 | 67.5 | ||||||||||||||||||||
| 315S | 2 | 508 | 254 | 406 | 216 | 315 | 28 | 65 | 18 | 58 | 600 | 550 | 660 | 24 | 6 | 635 | 645 | 530 | 845 | 1180 | |||
| 4.6.8.10 | 80 | 170 | 22 | 71 | 1290 | ||||||||||||||||||
| 315M | 2 | 457 | 65 | 140 | 18 | 58 | 1210 | ||||||||||||||||
| 4.6.8.10 | 80 | 170 | 22 | 71 | 1320 | ||||||||||||||||||
| 315L | 2 | 508 | 65 | 140 | 18 | 58 | 1210 | ||||||||||||||||
| 4.6.8.10 | 80 | 170 | 22 | 71 | 1320 | ||||||||||||||||||
| 355M | 2 | 610 | 305 | 560 | 254 | 355 | 75 | 140 | 20 | 67.5 | 740 | 680 | 800 | 730 | 710 | 655 | 1010 | 1500 | |||||
| 4.6.8.10 | 95 | 170 | 25 | 86 | 1530 | ||||||||||||||||||
| 355L | 2 | 630 | 75 | 140 | 20 | 67.5 | 1500 | ||||||||||||||||
| 4.6.8.10 | 95 | 170 | 25 | 86 | 1530 | ||||||||||||||||||