機座帶底腳、端蓋上無凸緣的電動機(B3)Frame with foot end shield without flange(B3)
如需更多信息,請發送電子郵件或撥打我們的熱線電話
機座帶底腳、端蓋上無凸緣的電動機(B3)Frame with foot end shield without flange(B3)
如需更多信息,請發送電子郵件或撥打我們的熱線電話
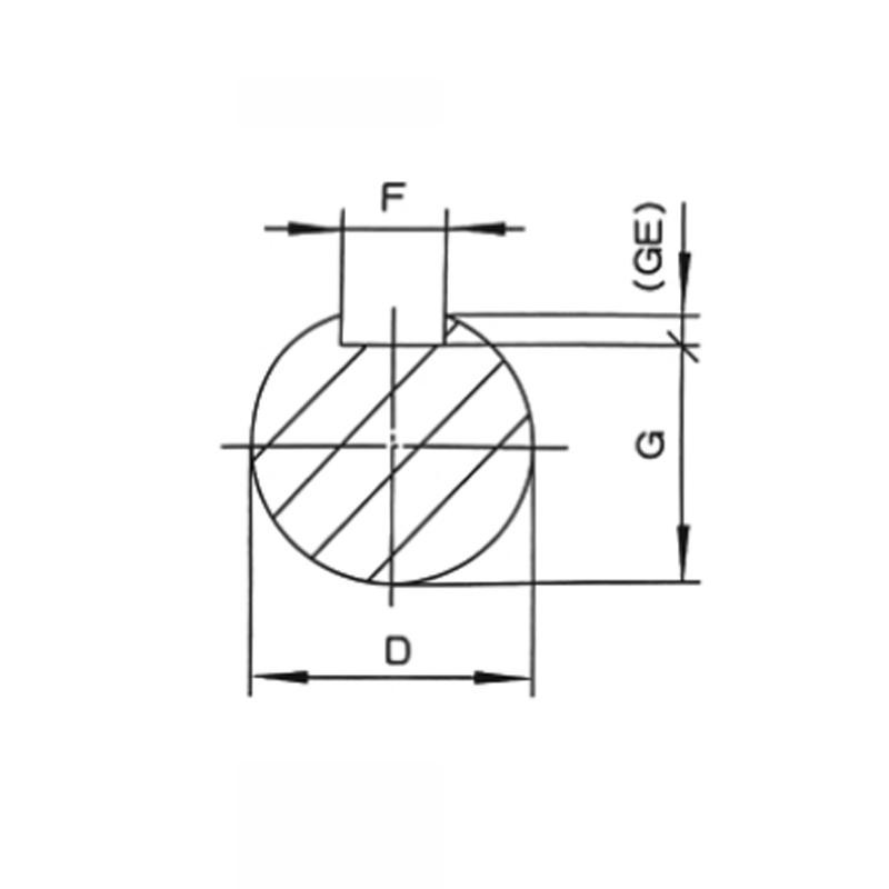
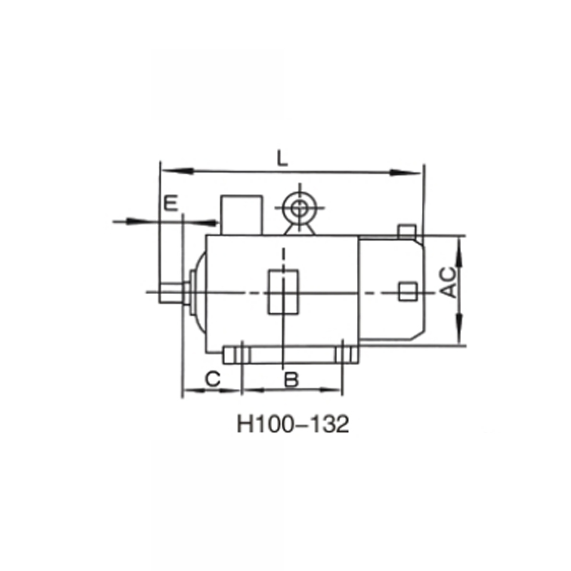
| 機座帶底腳、端蓋上無凸緣的電動機B3)Frame with foot end shield without flange(B3) | ||||||||||||||||
| 機座號 | 極數 | A | A/2 | B | C | H | K | D | E | F | G | AB | AC | AD | HD | L |
| Frame | Ploes | |||||||||||||||
| 80M | 2.4 | 125 | 62.5 | 100 | 50 | 80 | 10 | 19 | 40 | 6 | 15.5 | 165 | 175 | 145 | 220 | 395 |
| 90S | 2.4.6 | 140 | 70 | 100 | 56 | 90 | 24 | 50 | 8 | 20 | 180 | 195 | 165 | 260 | 420 | |
| 90L | 125 | 445 | ||||||||||||||
| 100L | 2.4.6.8 | 160 | 80 | 140 | 63 | 100 | 12 | 28 | 60 | 24 | 205 | 215 | 180 | 270 | 480 | |
| 112M | 190 | 95 | 140 | 70 | 112 | 230 | 240 | 190 | 300 | 500 | ||||||
| 132S | 216 | 108 | 140 | 89 | 132 | 38 | 80 | 10 | 33 | 270 | 275 | 210 | 345 | 600 | ||
| 132M | 178 | 640 | ||||||||||||||
| 160M | 2.4.6.8.10 | 254 | 127 | 210 | 108 | 160 | 14.5 | 42 | 110 | 12 | 37 | 320 | 330 | 255 | 420 | 750 |
| 160L | 254 | 800 | ||||||||||||||
| 180M | 249 | 139.5 | 241 | 121 | 180 | 48 | 14 | 42.5 | 355 | 380 | 280 | 455 | 830 | |||
| 180L | 279 | 870 | ||||||||||||||
| 200L | 318 | 159 | 305 | 133 | 200 | 18.5 | 55 | 16 | 49 | 395 | 420 | 305 | 505 | 920 | ||
| 225S | 4.6.8.10 | 356 | 178 | 286 | 149 | 225 | 60 | 140 | 18 | 53 | 435 | 470 | 335 | 560 | 940 | |
| 225M | 2 | 311 | 55 | 110 | 16 | 49 | 940 | |||||||||
| 4.6.8.10 | 60 | 140 | 18 | 53 | 965 | |||||||||||
| 250M | 2 | 406 | 203 | 349 | 168 | 250 | 24 | 490 | 510 | 370 | 615 | 1075 | ||||
| 4.6.8.10 | 65 | 58 | ||||||||||||||
| 280S | 2 | 457 | 228.5 | 368 | 190 | 280 | 550 | 580 | 410 | 680 | 1170 | |||||
| 4.6.8.10 | 75 | 20 | 67.5 | |||||||||||||
| 280M | 2 | 419 | 65 | 18 | 58 | 1220 | ||||||||||
| 4.6.8.10 | 75 | 20 | 67.5 | |||||||||||||
| 315S | 2 | 508 | 254 | 406 | 216 | 315 | 28 | 65 | 18 | 58 | 635 | 645 | 530 | 845 | 1340 | |
| 4.6.8.10 | 80 | 170 | 22 | 71 | 1370 | |||||||||||
| 315M | 2 | 457 | 65 | 140 | 18 | 58 | 1430 | |||||||||
| 4.6.8.10 | 80 | 170 | 22 | 71 | 1460 | |||||||||||
| 315L | 2 | 508 | 65 | 140 | 18 | 58 | 1430 | |||||||||
| 4.6.8.10 | 80 | 170 | 22 | 71 | 1460 | |||||||||||
| 355M | 2 | 610 | 305 | 560 | 254 | 355 | 75 | 140 | 20 | 67.5 | 730 | 710 | 655 | 1010 | 1665 | |
| 4.6.8.10 | 95 | 170 | 25 | 86 | 1695 | |||||||||||
| 355L | 2 | 630 | 75 | 140 | 20 | 67.5 | 1665 | |||||||||
| 4.6.8.10 | 95 | 170 | 25 | 86 | 1695 | |||||||||||